SOU 53x60 SZAFA OŚWIETLENIA ULICZNEGO ROZDZIELNIA
Cena regularna:
Cena regularna:
towar niedostępny
dodaj do przechowalni
0
Opis

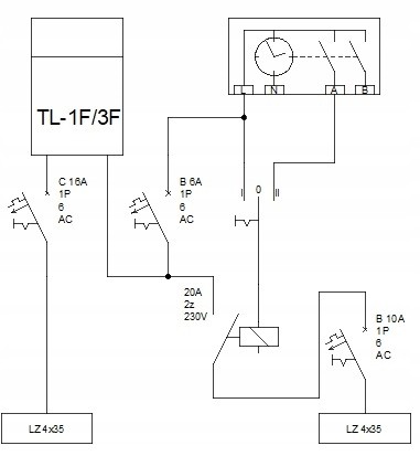
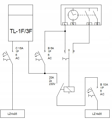
SOU 53x60 SZAFA OŚWIETLENIA ULICZNEGO
Typ: SOU 53x60 PCZ 526.3 SZAFA OŚWIETLENIA ULICZNEGO
Zestaw zawiera :
- Obudowa z układem pomiarowym 1-fazowym- 1szt
- Obudowa z układem sterowniczym - 1szt
- Zegar sterujący F&F PCZ 526.3 - 1szt
- Uchwyty na słup - 1szt
Wymiary obudowy:
- szerokość - 53 cm
- wysokość - 60 cm
- głębokość - 25 cm
Stopień ochrony: IP44
- Klasa ochronności: II
- Głebokość obudów: 250
- Odporność na uszkodzenia mechaniczne IK 10
- Klasa palności: V0
- Prąd znamionowy: 630A
- Kolor: RAL 7035


